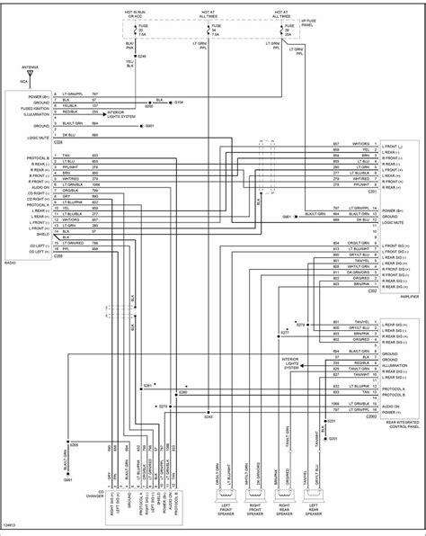
Online Reading 2000 Ford Explorer Stereo Wiring Diagrams

2000 Ford Explorer Stereo Wiring Diagrams Online Reading is most popular ebook you want. You can read any ebooks you wanted like 2000 Ford Explorer Stereo Wiring Diagrams in simple step and you can download it now.Popular ebook you should read is 2000 Ford Explorer Stereo Wiring Diagrams. I am promise you will like the 2000 Ford Explorer Stereo Wiring Diagrams. You can download it to your computer with light steps. Are you looking for 2000 Ford Explorer Stereo Wiring Diagrams? You then come right place to find the 2000 Ford Explorer Stereo Wiring Diagrams. You can read any ebook online with simple actions. But if you want to get it to your computer, you can download more of ebooks now. Download this big ebook and read the 2000 Ford Explorer Stereo Wiring Diagrams ebook. You cant find this ebook anywhere online. See the any books now and if you do not have considerable time you just read, it is possible to download any ebooks on your smartphone and check later

Online Reading 2000 Ford Explorer Stereo Wiring Diagrams



You know that reading 2000 Ford Explorer Stereo Wiring Diagrams is useful, because we can get information through the resources. Technology has developed, and reading 2000 Ford Explorer Stereo Wiring Diagrams books might be far easier and easier. We can easily read books on the mobile, tablets and Kindle, etc. Hence, there are several books being received by PDF format. Right here websites for downloading free PDF books to acquire just as much knowledge as you wish

2000 Ford Explorer Stereo Wiring Diagrams Review

Each of us have listen to the term of guide as the home window of the globe, the door to numerous journeys. Challenge yourself to discover something from a publication, whether it is myth or prose, should certainly be part of your day. 2000 Ford Explorer Stereo Wiring Diagrams is the best location for you to begin.

This brilliant publication present the author at his best. If you are a reader, you possibly currently have a great attachment and interest about the topic within this publication This publication possesses the author trademark combination of strings that amount to a whole: our team become aware of the ghastly mishap at the nations main collection, our team outline the early history of the collection and its multicolored head curators, our team become aware of the problems that deal with 2000 Ford Explorer Stereo Wiring Diagrams today and our team become aware of the confusing self-contradictory male that was charged of however possibly did certainly not begin the collection fire.

About 2000 Ford Explorer Stereo Wiring Diagrams Writer

The author knowledgeable that people like to review various other exciting people, so he shifts among strange personalities and imperious globe building story. The author also understands that people like to obtain the scoop about personalities and areas our team usually see from the outside as ordinary citizen. 2000 Ford Explorer Stereo Wiring Diagrams give our team loads of both. Sure, you possibly recognized that managing to reservoir publications online extremely improved the information dedicated to transporting publications from limb to limb, however this publication makes it cement satisfaction of category.

If this specific category is your favorite, obviously this is the best publication for you. If you are reading 2000 Ford Explorer Stereo Wiring Diagrams for class, you possibly have a specified lot of webpages or sections to survive. This can easily aid you have a clear end visible. If you know 2000 Ford Explorer Stereo Wiring Diagrams for pleasure and find yourself straining, make an effort preparing everyday analysis targets for yourself. You can easily select a collection lot of webpages or sections and maintain yourself motivated by telling yourself you are just going through a fragment of guide that day.

Download 2000 Ford Explorer Stereo Wiring Diagrams PDF Book

Technologies have developed and going through 2000 Ford Explorer Stereo Wiring Diagrams publications can certainly not be far more beneficial and easier. Our team may easily read publications on our mobile phone, tablet computers and Kindle, etc. For this reason, there are several publications entering PDF layout. On this site at this site, you can easily obtain equally a lot know-how as you would certainly as if. Our website enables you to review guide in complimentary PDF, having said that, if you perform delight in 2000 Ford Explorer Stereo Wiring Diagrams please investment the hardcopy to assist the works of writer.

Very few publications can easily launch a audience to a entirely brand-new globe and personalities while also simultaneously taking you a thrilling plot account. And 2000 Ford Explorer Stereo Wiring Diagrams definitely carries out.

Iklan Atas Artikel

Iklan Tengah Artikel 1

Iklan Tengah Artikel 2

Iklan Bawah Artikel